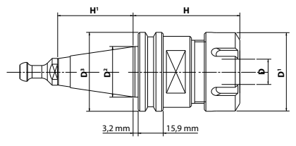
ITA Upínací hlava ISO-30 pro CNC stroje (D=20; H=70; D1=35; D2=31,75; D3=50; H1=35; H2=47,8; RH-LH)

POUŽITÍ:
Upínací hlava ISO-30 pro CNC stroje se používá pro stroje typu Biesse, Cosmec, Masterwood.

Upínací hlava ISO-30 pro CNC stroje je nenahraditelným prvkem pro dosažení efektivního a precizního obrábění na strojích typu Biesse, Cosmec a Masterwood.
Tato upínací hlava nabízí vysoce spolehlivý mechanismus pro rychlé a snadné upnutí nástroje, což umožňuje operátorům maximalizovat jejich čas a zvyšovat produktivitu. Díky svému robustnímu designu a použitým kvalitním materiálům je navržena tak, aby odolala náročným podmínkám průmyslového prostředí. To zahrnuje nejenom vysoké zatížení a opakované vibrace během obráběcích operací, ale také extrémní teplotní a prostorové podmínky. Tato upínací hlava poskytuje pevné spojení mezi nástrojem a strojem, což je klíčem k dosažení precizních výsledků a minimalizaci vibrací, což má za následek vyšší kvalitu zpracování a menší opotřebení nástrojů. S její dlouhou životností a spolehlivým výkonem je upínací hlava ISO-30 investicí, která vám pomůže dosáhnout vynikajících výsledků v průmyslovém prostředí.
VÝHODY:
- Univerzální kompatibilita: Upínací hlava ISO-30 je kompatibilní se stroji typu Biesse, Cosmec a Masterwood, což zajišťuje široké možnosti použití v průmyslových aplikacích.
- Snadná montáž: Jednoduchý systém montáže umožňuje rychlou a bezproblémovou instalaci na CNC stroje, což šetří čas a zvyšuje produktivitu.
- Pevné spojení: Spolehlivé upnutí nástroje zajišťuje pevné spojení mezi nástrojem a strojem, což minimalizuje vibrace a zlepšuje kvalitu obrábění.
- Robustní konstrukce: Konstrukce upínací hlavy je navržena pro odolnost vůči nárazům a opotřebení, což zaručuje dlouhou životnost produktu.
- Precizní výsledky: Díky svému pevnému a spolehlivému upnutí nástroje poskytuje upínací hlava ISO-30 konzistentní a precizní výsledky při obrábění, což zvyšuje kvalitu výroby a snižuje náklady na opravy a údržbu strojů.

Doplňkové parametry
| Kategorie: | Upínací hlava ISO-30 pro CNC stroje s vřetenem |
|---|---|
| Řezný průměr (D [mm]): | 20 |
| Výška DIA plátku (H [mm]): | 70 |
| Otáčky: | RH-LH |
Buďte první, kdo napíše příspěvek k této položce.
Pouze registrovaní uživatelé mohou vkládat příspěvky. Prosím přihlaste se nebo se registrujte.
| Výrobní společnost : | ITA TOOLS Sp. z o.o. |
|---|---|
| Adresa : | Wojska Polskiego 3/Hala 16, 39-300 Mielec, Polsko |
| E-mail : | hurt@itatools.pl |
