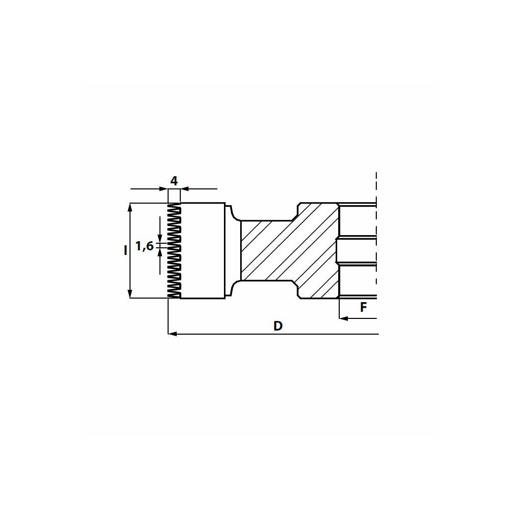
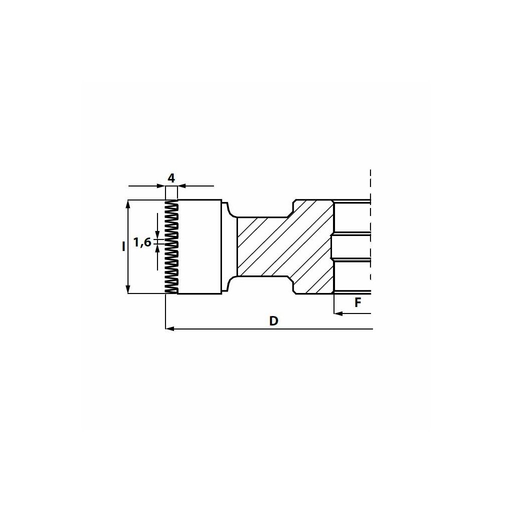
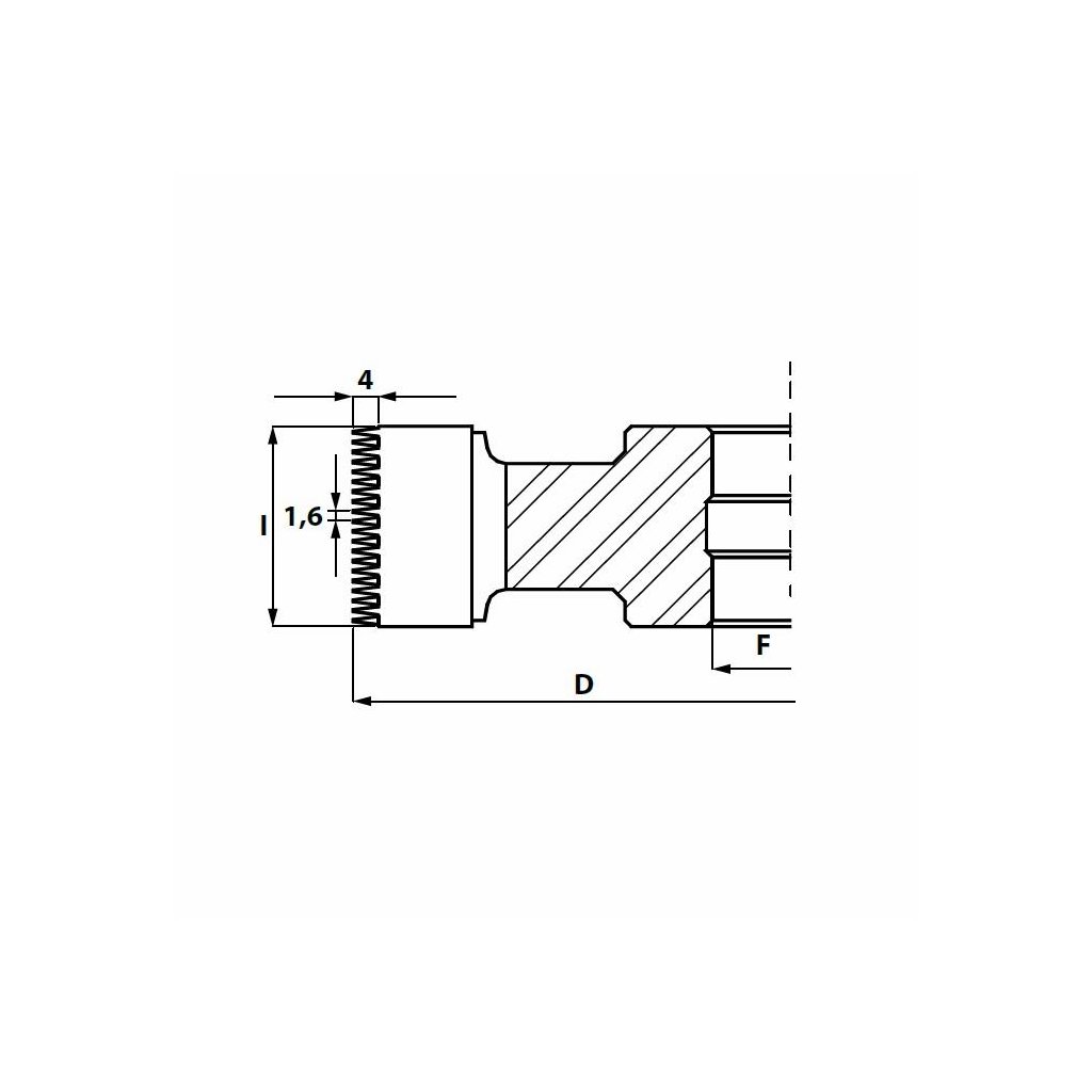
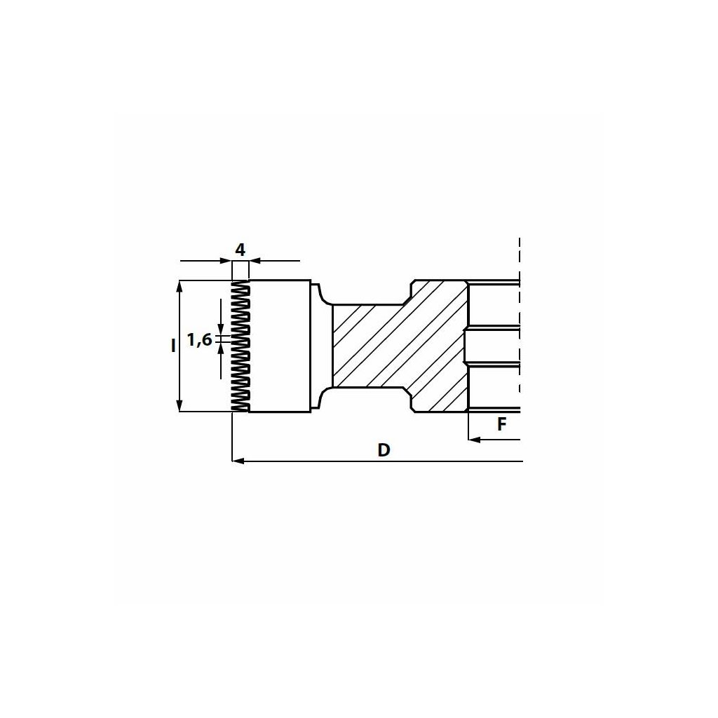
ITA GL1 Hlava (D=120; F=30; I=42)
Kód: GL1.120030042.000Detailní popis produktu

GL1 Hlava představuje inovativní nástroj pro příčné spojování materiálu, který nabízí řemeslníkům a profesionálům v dřevařském průmyslu špičkovou přesnost a spolehlivost.
S aplikací primárně zaměřenou na příčné spojování materiálu, tato hlava je nezbytným prvkem v arzenálu každého, kdo pracuje s dřevem či jinými materiály. Bez ohledu na to, zda jste profesionální řemeslník nebo nadšený amatér, GL1 Hlava vám poskytne potřebnou podporu pro dosažení vynikajících výsledků ve vašich projektech.
Díky své kompatibilitě s frézkami s dolním vřetenem a čtyřstrannými hoblovkami je GL1 Hlava univerzálním nástrojem, který usnadňuje práci s materiálem a umožňuje rychlou a přesnou manipulaci. Bez ohledu na to, zda pracujete na menších domácích projektech nebo na rozsáhlejších komerčních zakázkách, tato hlava vám pomůže dosáhnout požadovaných výsledků s minimálním úsilím a maximální efektivitou. S GL1 Hlavou můžete být jisti, že vaše spoje budou pevné, precizní a esteticky příjemné.
Výhody produktu:
- Široká kompatibilita: Kompatibilní s frézkami s dolním vřetenem a čtyřstrannými hoblovkami, což umožňuje široké využití v různých pracovních prostředích.
- Přesnost spojů: Hlava umožňuje dosáhnout přesných a pevných spojů materiálu, což je klíčové pro kvalitu vašich výrobků.
- Jednoduchá manipulace: Ergonomický design a robustní konstrukce zajišťují pohodlnou manipulaci a snadné používání.
- Spolehlivost: Kvalitní materiály a precizní provedení garantují dlouhou životnost a spolehlivost nástroje.
- Efektivita práce: GL1 Hlava pomáhá minimalizovat čas a úsilí potřebné k dosažení požadovaných výsledků, což zvyšuje produktivitu a zlepšuje pracovní zkušenost.

| Výrobní společnost : | ITA TOOLS Sp. z o.o. |
|---|---|
| Adresa : | Wojska Polskiego 3/Hala 16, 39-300 Mielec, Polsko |
| E-mail : | hurt@itatools.pl |
